SA23004XHQ
Production
5.5V, 4A Single Synchronous Buck Converter
Evaluation Board

Photo of evaluation board
SA23004XHQ
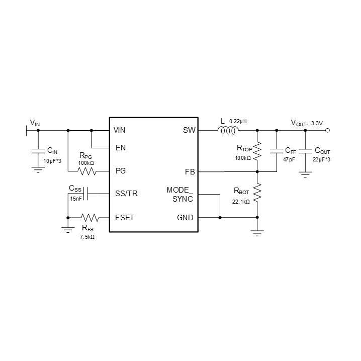
EVB_SA23004XHQ is intended for evaluate 5.5V, 4A single synchronous buck converter.
Technical Documentation
| Title | Date |
|---|---|
| Automotive Solutions Q4 2025 | 2025-12-02 |
| Consumer Selection Guide Q4 2025 | 2025-12-02 |
| Industrial Designs Q4 2025 | 2025-12-02 |





